星期一, 23 11月 2020 09:22

巨微低功耗MG123蓝牙芯片BLE收发器

巨微MG123是低功耗、低成本的BLE 收发器,内部集成了发射机、接收机、GFSK 调制解调器和BLE基带处理。

该系列产品采用MSOP10 封装,只需搭配低成本MCU 和少数外围被动器件,即可实现BLE 遥控、蓝牙电子秤等应用。可用于替换nordic蓝牙芯片。

• 电源电压1.9~3.6,可以采用一个纽扣电池(3.0v)供电
• 3uA 待机电流
20mA@0dBm 持续发射
• MSOP10 封装,外围BOM 很少
• 只需低成本MCU 配合

数据和控制接口
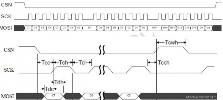
MG123 通过3 线SPI 接口和IRQ 信号与MCU 进行通信,接口包括以下信号:
• IRQ (this signal is active low and is controlled by maskable interrupt sources)
• CSN (SPI signal)
• SCK (SPI signal)
• MOSI (SPI signal)
其中MOSI 信号用于输入和输出。MCU 可以用3 个GPIO 模拟SPI,我们提供3 线SPI 的参考C 源码。

PCB 布线注意事项
• 电源
电源线、地线的布线直接关系到产品的性能,把噪声干扰降到最低。布线时要尽量加宽地线、电源线宽度,地线〉电源线〉信号线,通常信号线宽0.20.3mm,电源线宽1.22.5mm,用大面积铜层做地线用,在PCB 上把没有用的空间都铺成地。
电源加两个电容,如果用LDO 供电,分别取值1uF 和0.1uF 用以滤波;如果用纽扣电池供电,电容分别取值10uF和10uF 用以稳压。
• 晶振
晶振电路要尽量短和对称,靠近芯片,以减少噪声干扰以及分布电容的影响。晶振外壳要良好接地。
• 天线
天线对通信影响很大,请使用成熟的2.4GHz 天线结构,或者严格按照天线要求制板。一般PCB 天线需要净空,天线与地(铺铜)之间距离应大于0.5mm。天线周围不要有元器件或金属结构。
芯片ANT 到天线之间的走线不能太长,线宽要考虑阻抗匹配要求。

查看 7627
麻喆

专栏编辑